Registrácia | Prihlásiť

Meranie: Meranie na jednoimpulzovom striedači (usmerňovači)

Skryť detaily | Obľúbený
Náhľady Náhľady
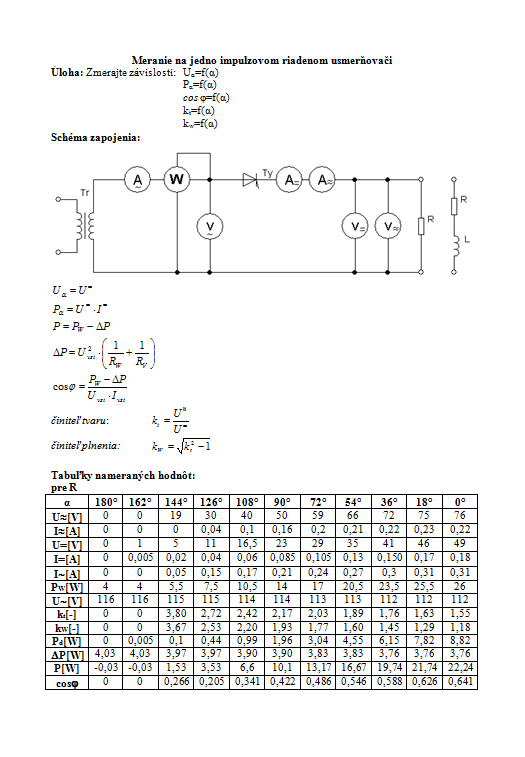
Meranie na jedno impulzovom riadenom usmerňovači

Úloha: Zmerajte závislosti:
Uα = f (α)
Pα = f (α)
cos φ = f (α)
kt = f (α)
kw = f (α)
...
Záver:
V meraní som si overil funkciu jednosmerného riadeného usmerňovača. Pri meraní sme ako riadiaci člen použili tyristor. Uhol regulácie sme nastavovali v rozmedzí od 0 po π. Na zobrazenie tohto uhla sme využívali osciloskop. Pokiaľ bol uhol aktívny, prúd pretekajúci tyristorom a výstupné napätie na záťaži boli nulové.
Hodnotenie (0x):